Centralny zamek to system, który zrewolucjonizował komfort użytkowania samochodów, umożliwiając jednoczesne blokowanie i odblokowywanie wszystkich drzwi za pomocą jednego przycisku lub pilota. Zrozumienie jego podstawowego działania, budowy i potencjalnych miejsc awarii jest niezwykle cenne dla każdego kierowcy, zwłaszcza gdy pojawią się problemy z jego funkcjonowaniem.
Jak działa centralny zamek w samochodzie kluczowe informacje o mechanizmie i komponentach
- Centralny zamek to system sterowany przez centralkę, która wysyła impulsy do siłowników w drzwiach, blokując lub odblokowując je.
- Wyróżnia się siłowniki "master" (zazwyczaj w drzwiach kierowcy, z 5 przewodami, informują o pozycji zamka) i "slave" (w pozostałych drzwiach, z 2 przewodami, tylko wykonują polecenia).
- Usterki często wynikają z uszkodzenia siłownika master, przetarcia przewodów w przelotkach drzwiowych, awarii mikrostyków w zamku lub problemów z pilotem.
- Schematy uniwersalnych zamków są prostsze i pokazują podłączenie centralki, siłowników i kierunkowskazów, często sterowane impulsem masy.
- W Polsce popularne są uniwersalne zestawy centralnego zamka, które pozwalają na doposażenie starszych aut.
Współczesne systemy centralnego zamka to często integralna część modułu komfortu, zarządzającego wieloma funkcjami pojazdu. Ich diagnoza bywa wyzwaniem nawet dla doświadczonych mechaników.
Jak działa centralny zamek w samochodzie? Zrozumienie mechanizmu to początek diagnozy
Ogólna zasada działania centralnego zamka jest stosunkowo prosta. Kiedy naciskasz przycisk na pilocie, przekręcasz kluczyk w zamku drzwi kierowcy, lub używasz przycisku w kabinie, sygnał trafia do centralki sterującej. Ta z kolei, analizując otrzymane polecenie, wysyła odpowiedni impuls elektryczny do siłowników zamontowanych w drzwiach. Siłowniki te, wykonując polecenie, mechanicznie przesuwają rygiel zamka, blokując lub odblokowując drzwi. Cały proces, od naciśnięcia przycisku po fizyczną zmianę pozycji rygla, odbywa się w ułamku sekundy, zapewniając natychmiastową reakcję systemu.
Od kluczyka do zamka: jak w ułamku sekundy otwierają się wszystkie drzwi?
Droga sygnału jest fascynująca w swojej prostocie i efektywności. Gdy naciskasz przycisk na pilocie, wysyła on zakodowany sygnał radiowy. Centralka odbiorcza w samochodzie dekoduje ten sygnał i rozpoznaje polecenie otwarcia lub zamknięcia. Jeśli używasz kluczyka, jego przekręcenie w zamku drzwi kierowcy aktywuje wkładkę zamka, która poprzez mechaniczne połączenie lub styki elektryczne informuje centralkę o intencji. W obu przypadkach, centralka, będąca "mózgiem" systemu, przetwarza informację i wysyła impulsy elektryczne odpowiednio do siłowników. Impuls ten powoduje przepływ prądu przez silniczek elektryczny wewnątrz siłownika, który za pomocą przekładni zębatych lub dźwigni zmienia położenie rygla zamka. W przypadku siłownika "master", jego ruch generuje również sygnał zwrotny dla centralki, informujący o faktycznym stanie zamka.
Czy wiesz, że istnieją różne rodzaje centralnych zamków? Fabryczny kontra uniwersalny
Na rynku motoryzacyjnym spotykamy dwa główne typy systemów centralnego zamka: fabryczne i uniwersalne. Fabryczne systemy są integralną częścią elektroniki pojazdu, często współpracując z modułem komfortu, który zarządza również elektrycznymi szybami, lusterkami, a nawet alarmem. Są one zazwyczaj bardziej rozbudowane, oferują więcej funkcji i są ściślej zintegrowane z resztą systemów samochodu. Uniwersalne zestawy centralnego zamka to z kolei rozwiązania dedykowane do montażu w pojazdach, które fabrycznie nie były w nie wyposażone, lub do modernizacji starszych aut. Są one zazwyczaj prostsze w budowie i montażu, a ich głównym zadaniem jest zapewnienie podstawowej funkcjonalności blokowania i odblokowywania drzwi. W Polsce uniwersalne zestawy cieszą się dużą popularnością ze względu na przystępną cenę i możliwość doposażenia starszych samochodów, a typowy zestaw zawiera centralkę, piloty, siłowniki (jeden master i kilka slave) oraz okablowanie.

Co kryje się w drzwiach Twojego auta? Kluczowe komponenty centralnego zamka
Aby w pełni zrozumieć, jak działa centralny zamek i dlaczego czasami odmawia posłuszeństwa, kluczowe jest poznanie jego podstawowych elementów składowych. Każdy z nich pełni specyficzną rolę w całym systemie, a ich współdziałanie zapewnia sprawne funkcjonowanie.
Mózg operacji: czym jest centralka sterująca i gdzie jej szukać?
Centralka sterująca, często nazywana modułem komfortu, jest sercem całego systemu centralnego zamka. To właśnie ona odbiera sygnały z pilota, kluczyka czy przycisku w kabinie, a następnie przetwarza je i wysyła odpowiednie polecenia do siłowników w drzwiach. W zależności od modelu samochodu, centralka może być zlokalizowana w różnych miejscach często znajduje się pod deską rozdzielczą, w okolicach kolumny kierownicy, w progu drzwi kierowcy, a nawet w podsufitce. Jej dokładne położenie najlepiej sprawdzić w instrukcji serwisowej konkretnego pojazdu.
Siłownik "Master" vs "Slave": poznaj różnicę, która ma znaczenie przy diagnostyce
| Cecha | Siłownik "Master" | Siłownik "Slave" |
|---|---|---|
| Liczba przewodów | Zazwyczaj 5 | Zazwyczaj 2 |
| Funkcja | Wykonawcza i informacyjna (wysyła sygnał o pozycji zamka do centralki) | Wykonawcza (tylko odbiera sygnał i wykonuje polecenie) |
| Typowe umiejscowienie | Drzwi kierowcy | Pozostałe drzwi |
| Znaczenie dla diagnostyki | Awaria często uniemożliwia sterowanie pozostałymi drzwiami z kluczyka lub pilota; jest kluczowy dla synchronizacji systemu. | Awaria powoduje problemy tylko z danymi drzwiami; zazwyczaj łatwiejszy do wymiany. |
Wiązka elektryczna i przelotki drzwiowe: cichy winowajca wielu awarii
Przewody łączące instalację elektryczną samochodu z drzwiami to kolejny newralgiczny punkt systemu centralnego zamka. Przelotki drzwiowe, czyli gumowe osłony, przez które przechodzą wiązki kabli, są narażone na ciągłe naprężenia wynikające z otwierania i zamykania drzwi. Z czasem izolacja może pękać, a same przewody ulegać przetarciu lub złamaniu. Jest to szczególnie częsta przyczyna problemów w starszych pojazdach, objawiająca się losowym działaniem zamka w jednych drzwiach, brakiem reakcji na polecenia lub nieprawidłowym działaniem elektrycznych szyb w tych samych drzwiach.
Rola mikrostyków w zamku: mały element, duży problem
W mechanizmie zamka drzwiowego ukryte są małe, ale niezwykle ważne elementy mikrostyki. Ich zadaniem jest informowanie centralki sterującej o aktualnym stanie drzwi (czy są otwarte, czy zamknięte) oraz o pozycji samego rygla zamka. Jeśli mikrostyk ulegnie awarii, centralka może otrzymywać błędne informacje. Skutkuje to często sytuacjami, gdy zamek po zamknięciu natychmiast się "odbija" i otwiera, lub gdy system nie reaguje prawidłowo na polecenia. Awaria mikrostyku może również wpływać na działanie oświetlenia wewnętrznego drzwi "myślą", że są cały czas otwarte, co powoduje ciągłe świecenie lampki sufitowej.

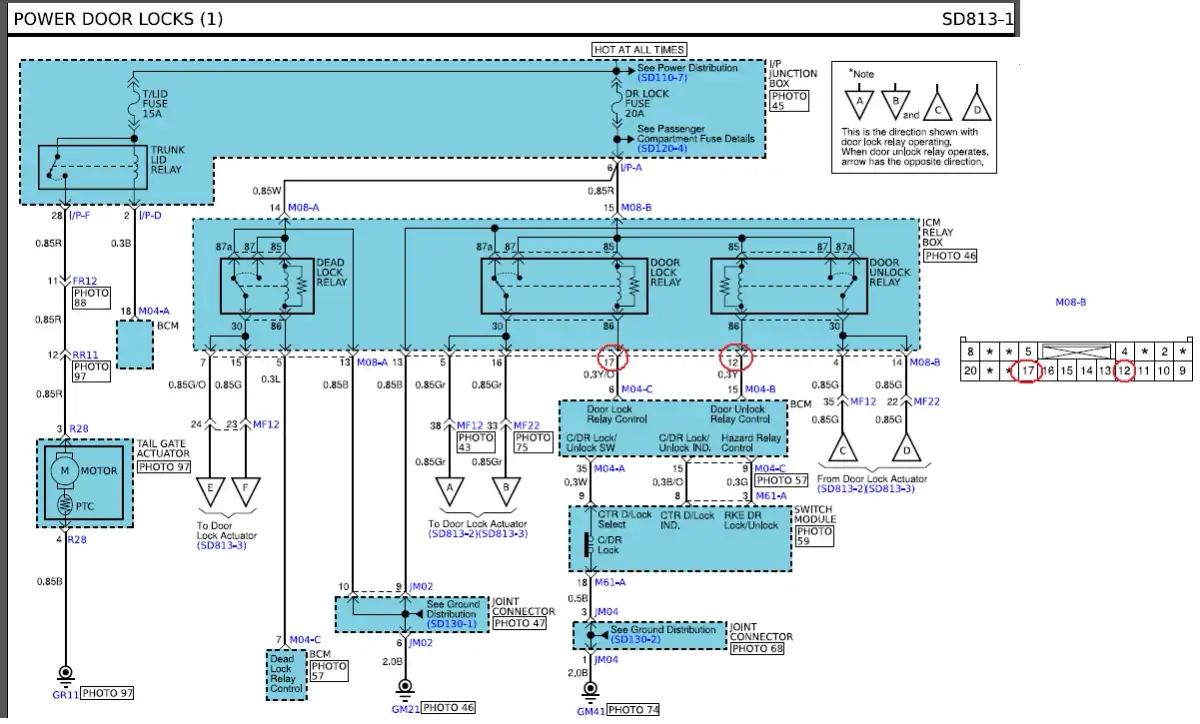
Uproszczony przewodnik: jak czytać schemat centralnego zamka?
Zrozumienie podstawowych zasad odczytywania schematów elektrycznych centralnego zamka jest kluczowe, zwłaszcza jeśli planujesz samodzielny montaż uniwersalnego zestawu lub diagnozę usterki. Schematy te, choć na pierwszy rzut oka mogą wydawać się skomplikowane, opierają się na logicznych symbolach i oznaczeniach.
Kolory i symbole na schemacie: co oznaczają i jak je interpretować?
Podczas analizy schematu elektrycznego centralnego zamka warto zwrócić uwagę na typowe oznaczenia. Kolory przewodów często mają ustalone znaczenie: na przykład czerwony zazwyczaj oznacza stałe zasilanie (+12V), czarny masę, a żółty lub brązowy sygnał z centralki. Symbole graficzne reprezentują poszczególne komponenty: prostokąty z liniami mogą oznaczać przekaźniki, kwadraty z kółkiem w środku bezpieczniki, a bardziej złożone schematy siłowników pokazują ich wewnętrzną budowę. Zwracaj uwagę na strzałki wskazujące kierunek przepływu sygnału oraz opisy przy poszczególnych elementach, które wyjaśniają ich funkcję.
Schemat podłączenia uniwersalnego zamka: krok po kroku
- Podłączenie centralki: Najpierw należy zlokalizować stałe zasilanie (+12V) i masę w samochodzie, a następnie podłączyć odpowiednie przewody centralki.
- Podłączenie siłowników: Do centralki podłączamy przewody siłowników. Siłownik "master" (zazwyczaj w drzwiach kierowcy) wymaga podłączenia wszystkich pięciu przewodów zgodnie ze schematem. Siłowniki "slave" w pozostałych drzwiach podłączamy zazwyczaj dwoma przewodami.
- Sterowanie kierunkowskazami (opcjonalnie): Jeśli chcemy, aby centralny zamek sygnalizował zamknięcie lub otwarcie poprzez mignięcie kierunkowskazów, należy podłączyć odpowiednie przewody centralki do instalacji kierunkowskazów.
- Sterowanie impulsem masy: W większości uniwersalnych systemów sterowanie odbywa się poprzez podanie impulsu masy na odpowiedni przewód w centralkę. Schemat dokładnie określa, który przewód należy podać na masę, aby uzyskać pożądane działanie (otwarcie lub zamknięcie).
Gdzie szukać schematów do konkretnego modelu samochodu?
Znalezienie dokładnych schematów elektrycznych dla konkretnego modelu samochodu może być kluczowe dla precyzyjnej diagnozy i naprawy. Warto zacząć od poszukiwań na specjalistycznych forach internetowych poświęconych danej marce lub modelowi pojazdu często użytkownicy dzielą się tam cennymi informacjami i skanami instrukcji. Kolejnym źródłem mogą być książki serwisowe, takie jak popularne serie "Sam naprawiam" lub publikacje Haynesa, które zawierają szczegółowe schematy instalacji elektrycznej. Czasami pomocne mogą być również strony internetowe producentów samochodów lub dedykowane programy diagnostyczne.

Centralny zamek nie działa? Najczęstsze usterki i ich diagnoza
Gdy centralny zamek przestaje działać poprawnie, warto znać najczęstsze przyczyny takich awarii. Szybka i trafna diagnoza pozwala na sprawną naprawę i uniknięcie niepotrzebnych kosztów.
Problem: Nie działają jedne drzwi. Gdzie szukać przyczyny?
Jeśli centralny zamek działa poprawnie w większości drzwi, ale w jednych konkretnych drzwiach odmawia posłuszeństwa, najczęstszą przyczyną są uszkodzone przewody w przelotce drzwiowej. Ciągłe otwieranie i zamykanie drzwi prowadzi do przetarcia lub złamania izolacji i samego przewodu. Aby to sprawdzić, należy zdemontować osłonę progu drzwiowego i gumową przelotkę, a następnie dokładnie obejrzeć wiązkę kabli pod kątem widocznych uszkodzeń.
Problem: Zamek "odbija" i natychmiast się otwiera. Co jest winne?
Sytuacja, w której zamek po próbie zamknięcia natychmiast się otwiera, jest zazwyczaj spowodowana awarią mikrostyku w mechanizmie zamka. Mikrostyk wysyła do centralki sygnał, że drzwi są nadal otwarte lub że zamek nie został prawidłowo zaryglowany. W takim przypadku konieczna jest wymiana lub naprawa samego mechanizmu zamka wraz z mikrostykiem.
Problem: Brak reakcji na pilota, ale zamek działa z kluczyka
Jeśli centralny zamek nie reaguje na polecenia z pilota, ale działa bez zarzutu po użyciu kluczyka w zamku drzwi kierowcy, problem najprawdopodobniej leży po stronie systemu zdalnego sterowania. Może to być zużyta bateria w pilocie, uszkodzony przycisk, awaria samego nadajnika w pilocie, lub problem z odbiornikiem sygnału w samochodzie. Czasami konieczne może być ponowne zakodowanie (sparowanie) pilota z centralką.
Problem: Całkowity brak reakcji systemu. Od czego zacząć sprawdzanie?
W przypadku całkowitego braku reakcji centralnego zamka na jakiekolwiek polecenia, należy zacząć od podstawowych kontroli. Pierwszym krokiem jest sprawdzenie bezpieczników odpowiedzialnych za zasilanie systemu. Następnie warto sprawdzić zasilanie dochodzące do centralki sterującej. Jeśli bezpieczniki są sprawne, a zasilanie dociera, możliwe przyczyny to uszkodzenie siłownika "master" (którego awaria może blokować cały system) lub tzw. "zimne luty" w samej centralkce sterującej, szczególnie w starszych pojazdach.
Naprawa centralnego zamka: samodzielnie czy u mechanika?
Decyzja o samodzielnej naprawie centralnego zamka zależy od kilku czynników: Twoich umiejętności technicznych, dostępnych narzędzi oraz złożoności problemu. W niektórych przypadkach prosta wymiana elementu może być w zasięgu każdego majsterkowicza, podczas gdy inne awarie wymagają specjalistycznej wiedzy.
Kiedy prosta wymiana siłownika wystarczy? Poradnik DIY
Jeśli problem dotyczy tylko jednego siłownika, a pozostałe elementy systemu działają poprawnie, wymiana uszkodzonego siłownika jest często zadaniem, które można wykonać samodzielnie. W przypadku uniwersalnych zestawów, siłowniki są zazwyczaj łatwo dostępne i niedrogie. Kluczowe jest jednak poprawne zidentyfikowanie uszkodzonego siłownika (master czy slave) i podłączenie nowego zgodnie ze schematem, zwracając uwagę na prawidłową polaryzację przewodów.
Usterki wymagające interwencji elektryka: kiedy nie warto ryzykować?
Bardziej złożone problemy, takie jak awaria centralki sterującej (szczególnie w fabrycznych systemach zintegrowanych z modułem komfortu), skomplikowane problemy z wiązkami elektrycznymi w trudno dostępnych miejscach, czy trudności w diagnozie fabrycznych systemów alarmowych powiązanych z centralnym zamkiem, zdecydowanie wymagają interwencji doświadczonego elektryka samochodowego. Próba samodzielnej naprawy bez odpowiedniej wiedzy i narzędzi może prowadzić do dalszych uszkodzeń, a nawet zagrożenia pożarowego.
Przeczytaj również: Ile kosztuje przegląd auta? Cennik 2024, LPG i konsekwencje
Kluczowe wnioski i dalsze kroki
Mam nadzieję, że ten artykuł pomógł Ci zgłębić tajniki działania centralnego zamka w Twoim samochodzie. Od zrozumienia podstawowych komponentów, przez różnice między systemami fabrycznymi a uniwersalnymi, aż po diagnozę najczęstszych usterek teraz posiadasz wiedzę, która pozwoli Ci lepiej dbać o bezpieczeństwo i komfort podróżowania.
- Zrozumienie roli centralki, siłowników "master" i "slave" to podstawa diagnozy.
- Przetarte przewody w przelotkach drzwiowych i awarie mikrostyków to jedne z najczęstszych przyczyn problemów.
- Umiejętność czytania prostych schematów elektrycznych ułatwia montaż uniwersalnych zestawów i samodzielne naprawy.
- W przypadku wątpliwości lub bardziej złożonych usterek, zawsze warto skonsultować się z doświadczonym mechanikiem lub elektrykiem samochodowym.
Z mojego doświadczenia wynika, że nawet najprostsza czynność, jaką jest sprawdzenie bezpieczników, potrafi rozwiązać wiele problemów z centralnym zamkiem. Nie zniechęcaj się, jeśli pierwsze próby diagnozy nie przyniosą natychmiastowych rezultatów cierpliwość i metodyczne podejście są kluczem do sukcesu. Pamiętaj, że każdy krok w kierunku lepszego zrozumienia technologii w Twoim aucie zwiększa Twoją pewność siebie jako kierowcy.
A jakie są Twoje doświadczenia z centralnym zamkiem? Czy miałeś do czynienia z nietypowymi usterkami, które udało Ci się samodzielnie naprawić? Podziel się swoją historią w komentarzach!
