Instalacja czterokanałowego wzmacniacza samochodowego może wydawać się skomplikowana, ale z odpowiednim przewodnikiem staje się zadaniem wykonalnym. Ten kompleksowy poradnik krok po kroku został stworzony, aby przeprowadzić Cię przez cały proces, od przygotowania po strojenie. Dzięki niemu dowiesz się, jak zapewnić bezpieczeństwo instalacji, uzyskać najwyższą jakość dźwięku i uniknąć powszechnych błędów, które mogą kosztować Cię czas i pieniądze.
Odpowiednie przygotowanie przed montażem wzmacniacza jest absolutnie kluczowe. To nie tylko kwestia bezpieczeństwa, która chroni Ciebie i Twój samochód przed zwarciami i pożarem, ale także fundament dla jakości dźwięku. Błędy popełnione na tym etapie, takie jak użycie zbyt cienkich kabli czy złe połączenie masy, mogą prowadzić do nieoptymalnej pracy systemu, zakłóceń, a nawet uszkodzenia sprzętu. Dbałość o szczegóły na początku oszczędzi Ci wielu problemów w przyszłości.
Aby sprawnie i bezpiecznie przeprowadzić montaż wzmacniacza, warto przygotować sobie odpowiednie narzędzia i akcesoria. Będą Ci potrzebne:
- Zestaw kluczy nasadowych i płasko-oczkowych
- Śrubokręty (płaski i krzyżak)
- Ściągacz izolacji do przewodów
- Kombinerki
- Nóż do tapicerki lub nożyk
- Multimetr (do sprawdzania napięcia i ciągłości obwodu)
- Wiertarka z wiertłami do metalu (jeśli potrzebne jest wiercenie otworów)
- Opaski kablowe (trytytki)
- Konektory (oczkowe, konektory do przewodów głośnikowych)
- Taśma izolacyjna
- Kabel zasilający odpowiedniego przekroju (np. 20-35mm²)
- Kabel masowy o tym samym przekroju
- Bezpiecznik i uchwyt bezpiecznika
- Kable sygnałowe RCA lub przewody do wejść wysokopoziomowych
- Kabel Remote (REM)
- Kable głośnikowe
- Odłącz akumulator: Zanim zaczniesz cokolwiek robić, odłącz ujemny biegun akumulatora. Jest to absolutnie pierwszy i najważniejszy krok, który zapobiegnie przypadkowym zwarciom podczas pracy z instalacją elektryczną samochodu. Upewnij się, że klucz nie dotyka metalowych elementów, które mogłyby spowodować iskrzenie.
Grubość kabla zasilającego i masowego jest fundamentalna dla mocy i stabilności całego systemu car audio. Zbyt cienkie przewody generują straty napięcia, co objawia się spadkiem mocy wzmacniacza, a w skrajnych przypadkach jego przegrzewaniem. Dla wzmacniaczy o mocy od 500 do 1000W RMS, zaleca się stosowanie kabli o przekroju od 20mm² (co odpowiada około 4 AWG) do 35mm² (około 2 AWG). Niezwykle ważne jest, aby zarówno kabel zasilający, jak i masowy miały identyczny przekrój i były wykonane z miedzi OFC (Oxygen-Free Copper), która zapewnia najlepszą przewodność. Pamiętaj, że kabel masowy musi być równie gruby co zasilający, aby zapewnić mu swobodny powrót prądu do akumulatora.
Bezpiecznik jest sercem bezpieczeństwa w każdej instalacji car audio. Jego głównym zadaniem jest ochrona przed przepięciami i zwarciami, które mogłyby doprowadzić do uszkodzenia wzmacniacza, a nawet pożaru. Bezpiecznik musi być zamontowany na kablu zasilającym, jak najbliżej akumulatora zazwyczaj nie dalej niż 30 cm od jego bieguna dodatniego. Dobór odpowiedniej wartości bezpiecznika jest kluczowy i powinien być oparty na maksymalnym poborze prądu przez wzmacniacz, który znajdziesz w jego specyfikacji technicznej. Zazwyczaj jest to wartość o około 10-20% wyższa niż nominalny pobór prądu.
Wybór między przewodami sygnałowymi RCA a wejściami wysokopoziomowymi (Hi-Level Input) zależy od możliwości Twojego radioodtwarzacza. Jeśli radio wyposażone jest w wyjścia RCA, zdecydowanie warto z nich skorzystać, ponieważ sygnał jest wtedy czystszy i mniej podatny na zakłócenia. Wejścia wysokopoziomowe są idealnym rozwiązaniem dla fabrycznych radioodtwarzaczy, które nie posiadają wyjść RCA. W tym przypadku sygnał audio jest pobierany bezpośrednio z kabli głośnikowych radia. Należy pamiętać, że przewody RCA powinny być dobrze ekranowane, aby zminimalizować ryzyko zbierania zakłóceń, a w przypadku wejść Hi-Level, niektóre wzmacniacze oferują funkcję "auto turn-on", która automatycznie włącza urządzenie po wykryciu sygnału.
Przewód Remote (REM) jest niezbędnym elementem, który synchronizuje pracę wzmacniacza z radiem. Bez niego wzmacniacz nie włączy się automatycznie po przekręceniu kluczyka w stacyjce. Zazwyczaj jest to cienki przewód, często w kolorze niebieskim, o przekroju około 0,75mm². Podłącza się go do odpowiedniego wyjścia w radiu (często oznaczonego jako "REM", "ANT" lub "POWER ANT"). W przypadku korzystania z wejść wysokopoziomowych (Hi-Level Input) w niektórych wzmacniaczach, można ominąć podłączanie kabla Remote, jeśli wzmacniacz posiada funkcję "auto turn-on", która wykrywa obecność sygnału audio i samodzielnie się uruchamia.
- Poprowadź kabel zasilający: Zacznij od poprowadzenia kabla zasilającego od akumulatora. W tym celu należy znaleźć odpowiedni przepust w ścianie grodziowej oddzielającej komorę silnika od kabiny. Jeśli takiego przepustu nie ma, konieczne może być jego wykonanie pamiętaj o zabezpieczeniu otworu gumową uszczelką, aby uniknąć przetarcia kabla. Kabel zasilający prowadzimy po przeciwnej stronie samochodu niż kable sygnałowe (RCA), aby zminimalizować ryzyko powstawania zakłóceń.
- Zabezpiecz przejścia: Upewnij się, że kabel nie jest narażony na przetarcie o ostre krawędzie metalu. Użyj gumowych przepustów i opasek kablowych, aby solidnie go zamocować.
- Unikaj ruchomych części: Podczas prowadzenia kabla upewnij się, że nie znajduje się on w pobliżu ruchomych elementów, takich jak pedały, kolumna kierownicy czy elementy zawieszenia.
Znalezienie idealnego punktu masowego jest kluczowe dla stabilnej i wolnej od zakłóceń pracy wzmacniacza. Punkt masowy powinien znajdować się jak najbliżej wzmacniacza i być wykonany z gołego metalu karoserii najlepiej na płaskiej powierzchni. Aby przygotować taki punkt, należy dokładnie oczyścić wybrany fragment blachy z farby, rdzy i innych zanieczyszczeń za pomocą papieru ściernego lub szczotki drucianej. Następnie należy mocno przykręcić do tego miejsca oczkowy konektor kabla masowego, upewniając się, że połączenie jest solidne i zapewnia dobry kontakt elektryczny.
Strategiczne znaczenie ma ułożenie kabli sygnałowych (RCA) po przeciwnej stronie samochodu niż kable zasilające. Jest to podstawowa zasada instalacji car audio, która pozwala skutecznie zapobiegać powstawaniu niepożądanych zakłóceń i szumów w systemie audio. Kable zasilające, przenoszące wysokie natężenie prądu, mogą indukować zakłócenia w czułych kablach sygnałowych, jeśli biegną zbyt blisko siebie. Oddzielenie ich od siebie minimalizuje to ryzyko.
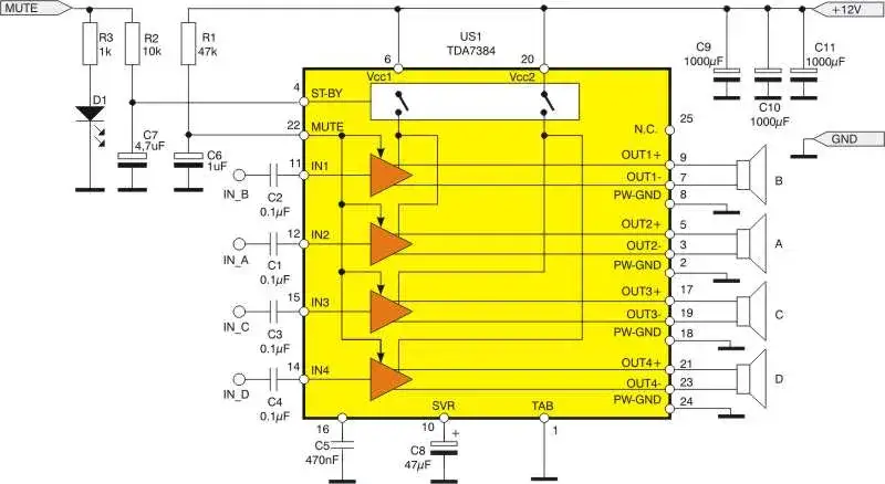
Najbardziej standardową i powszechną konfiguracją podłączenia wzmacniacza 4-kanałowego jest zasilanie czterech głośników po jednym na każdy kanał. Oznacza to, że kanał pierwszy (Front Left) zasila lewy głośnik przedni, kanał drugi (Front Right) prawy głośnik przedni, kanał trzeci (Rear Left) lewy głośnik tylny, a kanał czwarty (Rear Right) prawy głośnik tylny. Ta konfiguracja pozwala na wykorzystanie pełnego potencjału wzmacniacza do zasilenia całego systemu głośnikowego w samochodzie, zapewniając niezależne sterowanie każdym z głośników.
Inną popularną i bardzo efektywną konfiguracją jest zasilanie dwóch głośników pełnopasmowych oraz subwoofera. W tym układzie dwa kanały wzmacniacza (np. przednie) są wykorzystywane do zasilania pary głośników, tak jak w poprzednim przykładzie. Pozostałe dwa kanały (np. tylne) są łączone w tzw. mostek (bridge mode). Mostkowanie polega na połączeniu wyjść dwóch kanałów w celu uzyskania większej mocy, która jest następnie dostarczana do subwoofera. Ta konfiguracja jest idealna, gdy chcemy uzyskać mocny, dynamiczny bas, ponieważ subwoofery zazwyczaj wymagają znacznie więcej mocy niż standardowe głośniki.
Jeśli Twoje radioodtwarzacz nie posiada wyjść RCA, nie martw się nadal możesz podłączyć wzmacniacz, korzystając z wejść wysokopoziomowych (Hi-Level Input). W tym celu należy zlokalizować kable głośnikowe wychodzące z radia (zazwyczaj są to cztery pary przewodów). Następnie, zgodnie ze schematem podłączeń wzmacniacza, należy podłączyć odpowiednie kable głośnikowe do wejść Hi-Level na wzmacniaczu. Pamiętaj, że jeśli Twój wzmacniacz posiada funkcję "auto turn-on", nie będziesz musiał podłączać przewodu Remote, ponieważ wzmacniacz sam wykryje sygnał audio i się uruchomi.
Pierwsze uruchomienie i strojenie: jak ustawić wzmacniacz, by nie uszkodzić głośników?
Regulacja GAIN (czułości wejściowej) na wzmacniaczu nie jest tym samym, co regulacja głośności na radiu. Jej głównym zadaniem jest dopasowanie poziomu sygnału wyjściowego z radia do poziomu wejściowego wzmacniacza. Prawidłowe ustawienie GAIN jest kluczowe dla jakości dźwięku i bezpieczeństwa głośników. Zbyt wysokie ustawienie GAIN powoduje przesterowanie sygnału (tzw. clipping), co prowadzi do powstawania zniekształceń i może szybko uszkodzić cewki głośników. Najlepszą metodą jest ustawienie GAIN na słuch, stopniowo zwiększając głośność, aż usłyszysz pierwsze oznaki zniekształceń, a następnie delikatnie cofnij pokrętło. Bardziej precyzyjne ustawienie można uzyskać za pomocą multimetru lub oscyloskopu.
Filtry HPF (High Pass Filter) i LPF (Low Pass Filter) to narzędzia, które pozwalają precyzyjnie podzielić pasmo przenoszenia dźwięku między poszczególne głośniki, co znacząco poprawia jakość brzmienia i chroni sprzęt. Filtr LPF jest używany głównie do subwooferów odcina on wszystkie częstotliwości powyżej ustawionego punktu, pozwalając subwooferowi odtwarzać tylko niskie tony. Zalecane ustawienie dla subwoofera to zazwyczaj zakres 80-100 Hz. Filtr HPF z kolei odcina niskie częstotliwości, przepuszczając tylko te wyższe. Jest on idealny dla głośników pełnopasmowych (np. w drzwiach), aby odciążyć je od przetwarzania basu i zapobiec ich uszkodzeniu. Ustawienie HPF zazwyczaj mieści się w zakresie 80-120 Hz.
Funkcja Bass Boost służy do podbijania najniższych częstotliwości, co może dodać muzyce "mocy" i "kopnięcia". Należy jednak używać jej z dużą ostrożnością. Nadmierne podbicie basu może prowadzić do zniekształceń dźwięku, a nawet do uszkodzenia głośników, zwłaszcza subwoofera. W wielu przypadkach zaleca się pozostawienie Bass Boost na minimalnej wartości lub całkowite jego wyłączenie, aby uzyskać czyste i naturalne brzmienie.
Rozwiązywanie typowych problemów: co zrobić, gdy coś nie działa?
-
Wzmacniacz przechodzi w tryb Protect:
- Przyczyna: Zwarcia na kablach głośnikowych lub sygnałowych. Rozwiązanie: Dokładnie sprawdź izolację wszystkich podłączonych kabli, upewnij się, że żyły nie dotykają masy ani siebie nawzajem.
- Przyczyna: Przegrzewanie się wzmacniacza. Rozwiązanie: Zapewnij odpowiednią wentylację, nie zasłaniaj otworów wentylacyjnych wzmacniacza.
- Przyczyna: Zbyt niska impedancja podłączonych głośników. Rozwiązanie: Sprawdź impedancję głośników i porównaj ją z minimalną dopuszczalną impedancją dla Twojego wzmacniacza (podana w specyfikacji).
- Przyczyna: Problemy z zasilaniem (zbyt cienkie kable, słaby akumulator). Rozwiązanie: Sprawdź przekrój kabli zasilających i masowych, upewnij się, że połączenia są stabilne.
Jeśli w głośnikach słychać niepokojący pisk lub szum, który często zmienia natężenie wraz z obrotami silnika, najprawdopodobniej masz do czynienia z tzw. pętlą masową lub nieprawidłowym prowadzeniem kabli. Pętla masowa powstaje, gdy istnieje więcej niż jedna ścieżka powrotu prądu do masy. Aby rozwiązać ten problem, dokładnie sprawdź punkt masowy wzmacniacza upewnij się, że jest on solidny i wykonany z czystego metalu. Kluczowe jest również prawidłowe prowadzenie kabli: kable zasilające i sygnałowe (RCA) powinny być poprowadzone po przeciwnych stronach samochodu. Warto również upewnić się, że używasz wysokiej jakości, ekranowanych kabli RCA.
- Brak sygnału Remote: Sprawdź, czy przewód Remote jest prawidłowo podłączony do radia i wzmacniacza. Upewnij się, że w radiu jest aktywne wyjście Remote (często oznaczone jako "ANT" lub "POWER ANT").
- Przepalony bezpiecznik: Sprawdź bezpiecznik zarówno ten przy akumulatorze, jak i ewentualne bezpieczniki w samym wzmacniaczu. Jeśli bezpiecznik jest przepalony, wymień go na nowy o tej samej wartości i spróbuj zlokalizować przyczynę jego przepalenia (np. zwarcie).
- Brak sygnału na wejściu Hi-Level (funkcja auto turn-on): Jeśli Twój wzmacniacz ma funkcję auto turn-on i korzystasz z wejść wysokopoziomowych, sprawdź, czy sygnał audio faktycznie dociera do wejść Hi-Level. Możesz to zrobić, mierząc napięcie na kablach głośnikowych wychodzących z radia.
Przeczytaj również: Jak sprawdzić sprzęgło? Objawy, testy i koszty wymiany
Kluczowe wnioski i Twoje kolejne kroki
Instalacja czterokanałowego wzmacniacza samochodowego, choć wymaga precyzji i uwagi, jest jak najbardziej osiągalna dzięki postępowaniu krok po kroku. Ten przewodnik dostarczył Ci niezbędnej wiedzy, abyś mógł samodzielnie przeprowadzić ten proces, kładąc nacisk na bezpieczeństwo, optymalne wykorzystanie sprzętu i osiągnięcie satysfakcjonującej jakości dźwięku, jednocześnie unikając typowych błędów.
- Staranne przygotowanie, w tym dobór odpowiednich kabli (zasilających, masowych, sygnałowych) i bezpiecznika, jest fundamentem bezpiecznej i wydajnej instalacji.
- Prawidłowe prowadzenie okablowania, zwłaszcza oddzielenie kabli zasilających od sygnałowych, jest kluczowe dla eliminacji zakłóceń.
- Zrozumienie i prawidłowe ustawienie parametrów takich jak GAIN, HPF i LPF pozwoli Ci uzyskać czysty dźwięk i ochronić głośniki.
Z mojego doświadczenia wynika, że najwięcej problemów sprawia początkującym właściwe przygotowanie punktu masowego oraz unikanie zakłóceń. Pamiętaj, że cierpliwość i dokładność na każdym etapie instalacji zaowocują lepszym brzmieniem i niezawodnością całego systemu audio. Nie bój się eksperymentować z ustawieniami filtrów, aby dopasować dźwięk do swoich preferencji, ale zawsze rób to z rozwagą.
Jakie są Twoje doświadczenia z instalacją wzmacniacza samochodowego? Czy napotkałeś jakieś szczególne wyzwania, z którymi chętnie się podzielisz? Podziel się swoimi przemyśleniami w komentarzach poniżej!
