Porady samochodoweJak zmierzyć napięcie ładowania w aucie? Prawidłowe wartości i diagnozaMaja Olszewska-9 sierpnia 2025
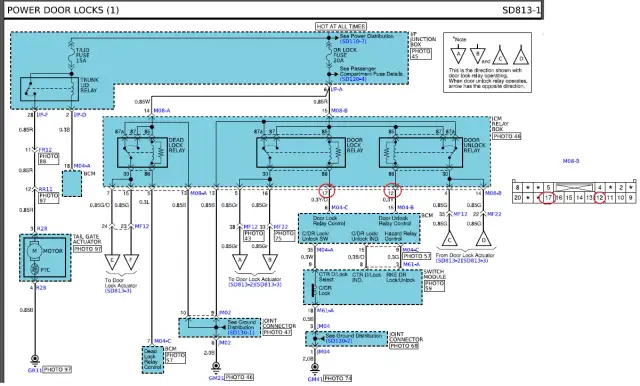
Porady samochodoweJak działa centralny zamek: Schemat, naprawa i typowe usterkiMaja Olszewska-8 sierpnia 2025
Porady samochodoweJak skasować "Check Engine" domowym sposobem? DIY i tanie trikiMaja Olszewska-7 sierpnia 2025
Porady samochodoweEuro 6: Jak sprawdzić normę i wybrać auto do Stref Czystego TransportuMaja Olszewska-6 sierpnia 2025
Porady samochodoweJak podłączyć radio samochodowe? Prosty poradnik krok po krokuMaja Olszewska-5 sierpnia 2025
Porady samochodoweIle kosztuje oklejenie auta folią? Cennik i kluczowe czynnikiMaja Olszewska-3 sierpnia 2025
Porady samochodoweCzym smarować uszczelki w aucie? Domowe sposoby, które działają!Maja Olszewska-2 sierpnia 2025
Porady samochodoweJak napompować koło w samochodzie? Prosty poradnik krok po krokuMaja Olszewska-1 sierpnia 2025
Porady samochodoweIle kosztuje AC na nowy samochód? Sprawdź ceny i obniż składkęMaja Olszewska-31 lipca 2025
Porady samochodoweLimity decybeli w aucie: ile można? Mandaty i konsekwencjeMaja Olszewska-30 lipca 2025
Porady samochodoweJak usunąć plamy z fotela samochodowego? Domowe i profesjonalne sposobyMaja Olszewska-29 lipca 2025
Porady samochodoweKupno auta: 30 pytań przez telefon, które musisz zadać!Maja Olszewska-28 lipca 2025
Porady samochodoweNissan Qashqai: Jak sparować telefon z Bluetooth? Prosty przewodnikMaja Olszewska-27 lipca 2025